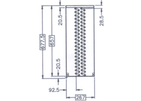
BTU UpgradeUpgrade เพิ่มยกระดับ BTU. AHU Chilled Water
เพื่อเพิ่มกำลังทำความเย็นใหม่ ให้ AHU เครื่องเก่า ให้กำลังทำความเย็นได้มากขึ้น โดยไม่ต้องเปลี่ยนเครื่องใหม่ แก้ปัญหาพื้นที่เดิม แต่ต้องการความเย็นมากขึ้น
TIP Big Renovate จำหน่ายแผงคอยล์ใหม่ ที่เพิ่มพื้นที่คอยล์ สามารถแลกเปลี่ยนทำความเย็นที่มากกว่า ทดแทนแผงคอยล์เก่า ติดตั้งใน AHU เครื่องเก่า ทำให้ AHU เครื่องเก่าของท่าน เพิ่มขีดความสามารถทำความเย็นใหม่ที่มากกว่า ประหยัดเงิน ไม่ต้องซื้อเปลี่ยนเครื่องใหม่ ประหยัดเวลาเปลี่ยน ติดตั้ง
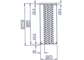
Affter ผลหลังการซ่อมUpgrade เพิ่มยกระดับ BTU. AHU Chilled Water
1. ได้ประสิทธิภาพทำความเย็น "คืนมา" และใช้งานได้อีก นานปี
2. ได้อากาศเย็นสะอาดสดชื่นใหม่
3. ติดตั้งเร็ว ปลอดภัย ได้ประสิทธิภาพ ประหยัดเงินซ่อม
4. ช่วยรักษาสิ่งแวดล้อม เก็บ Recycle แผงคอยล์เก่า
5. ลดการสูญเสียเปล่าพลังงานไฟฟ้า ช่วยประหยัดพลังงาน









